You can not select more than 25 topics Topics must start with a letter or number, can include dashes ('-') and can be up to 35 characters long.
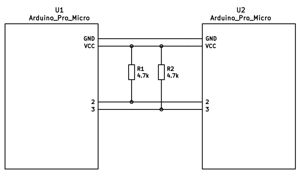
qmk_firmware/keyboards/lets_split/imgs/split-keyboard-i2c-schemati...

26 KiB